三相智能電動機缺相保護在工業維護中的應用與選型
摘要:電源缺相易造成電動機燒損,不僅嚴重危害電動機的運行,而且造成維護困難。在不添加缺相保護器前提下,同時不改變原有設備性能,對電動機控制電路做適當調整,實現缺相保護功能,有效保護電動機。該法簡單易行,成本極低。
關鍵詞:三相電動機;缺相故障;保護電路;電路改進;故障對比
0 引言
三相電動機作為一種不可或缺的設備,在天車、消防泵、水泵、風泵、油泵、空氣壓縮機、大型車床等有著廣泛的應用。三相電動機為大多數設備提供著動力,一個現代化的工廠甚至需要幾百到上萬臺電動機,因此三相電動機的事故率嚴重影響著工業生產的效率、安全和維護成本。然而在各種設備在出廠設計和制造過程中,三相電動機啟動和運行控制電路,大部分采用降壓啟動(即星三角形啟動、自耦變壓器降壓啟動等),決大多數在控制方面僅僅考慮電壓不足時的保護,沒有考慮當三相交流電出現缺相時如何對電動機進行控制保護。然而,電源缺相,對三相電動機的啟動和運行危害很大,極易造成電動機燒損,常常給生產帶來不便,造成企業損失。
在長期實際維護中,對三相電機故障原因進行了統計分析,故障原因占比如圖1所示。

圖1三相電機故障分
其中,三相電機缺相故障占比達到71%,三相電機缺相是造成電動機損毀的主要原因,其造成的安全隱患和經濟損失不可輕視。如何進行三相電機的缺相保護是工業維護的重中之重。
現在,對三相電動機的缺相保護已較多采用電子電路缺相保護、集成電路缺相保護等,但這些保護方法,電路復雜價格較貴,不利于降低企業成本。本文選擇一種三相電機永不缺相啟動和運行的控制線路應用在三相電機中,在不添加缺相保護器的前提下,同時不改變原有設備性能,對三相電動機控制電路稍調整,就達到缺相保護功能的方式,有效保護三相電動機。
1 缺相保護原理
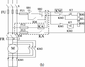
根據三相交流異步電機啟動和運行控制原理要求,在原有三相電機控制線路基礎上稍作調整,使其線路具有缺保相護作用,電路如圖2(a)所示。

圖2系統原理圖
圖 2(a)中 SB1啟動常開按鈕,SB2停機常閉按鈕,KA繼電器,KM接觸器,FU熔斷器,FR熱繼電器。
1)啟動原理
如圖2所示,先將按鈕(SB1)觸頭閉合,A相電源流經繼電器(KA)線圈B相電源得電,使得串聯在繼電器(KA)觸頭閉合,同時A相電源經過接觸器(KM)線圈與繼電器(KA)閉合觸頭取C相電源得電,接觸器(KM)工作,電機就啟動運轉。
2)停止原理
按下按鈕(SB2)觸頭斷開,A相電源就斷開。繼電器(KA)與接觸器(KM)的線圈無法取A相電源而失電,則接觸器無法工作,電機無法啟動運轉。
3)缺相停機原理
若A、B、C缺A相,KA、KM的線圈電源取A、C相,接觸器繼電器失電,電機就無法啟動運轉。若A、B、C缺B相,KA的線圈電源取A、B相,KA失電無法工作,常開觸頭不動作,KM線圈就無法通過KA常開觸頭取C相電源,電機就無法啟動運轉。若A、B、C缺C相,接觸器KM線圈電源是取C、A相電源,接觸器失電電機就無法啟動運轉。
總之,三相交流電源缺任何一相,電機都無法啟動運轉。當電源缺相時達到有效控制電動機,使電動機停止運行,起到缺相保護器作用。
2 三相電機保護電路改進及應用
三相異步電動機缺相時,電動機將無法啟動。轉子左右擺動,有強烈的尖叫聲。對電動機造成磨損。當電動機在運行中電源缺相時,如不降低負載,電動機的定子電流勢必增加,引起過熱,長時運行致使三相電機燒毀。在分析三相電機缺相保護原理基礎上,對某機務段約120臺各型三相電動機(其中37kW以上的三相交流異步電動機有35臺,25kW的三相異步電動機85臺),運用三相電機永不缺相啟動和運行的控制線路技術進行改造,歷時一年多竣工;經性能鑒定,完全符合各類大功率三相電機的控制要求,已正式投入使用。在很大程度上克服了三相電機缺相時對電動機本身的傷害,消除了缺相損壞三相電動機對機車檢修,日常維護的影響。線路簡單,改造方便,材料便宜,該技術實用性較強,完全可以滿足大規模三相電動機改造的要求。
以其空氣壓縮機為例,改造僅僅加裝一只繼電器,不改變原有設備性能,對三相電動機控制電路稍調整,就達到缺相保護功能的方式,有效保護電動機。如圖2(b)所示,虛紅框內為改裝部分。
3 應用效果
經改造的線路簡單,僅增加很少電子元件;占用空間小,不改變原有電器整體布局;投資小,有效保護電機,使用效果良好。
3.1經濟效果
直接經濟效益:
該段現有37kW以上的大功率三相交流異步電動機有35臺,25kW的三相異步電動機85臺。如果從市場重新購買缺相保護器需要成本7.45萬元以上,每臺缺相保護器單價為(600~700)元。通過技術改造,只需調整電機控制線路,加裝一只繼電器,每只繼電器單價為95元,共計1.1萬元,從而節約設備配件購置成本約6萬元。
設備改進前該機務段全年總計發生大小三相電機故障71起,其中三相電機缺相造成的設備故障總計51起占到了電機故障的71%,該段設備車間在維修該類電機的技術力量薄弱,一般外委修理,一臺37kW三相電機修理費用為2000元以上(每千瓦的維修費用為60元)每年直接造成的經濟損失就約8萬元,其中部分三相電機用于機車上需檢修的重要設備,如天車、空氣壓縮機等。在技術改造前,此類電機共發生故障12起,造成的誤工停時費用為2000元/d臺。修復一臺故障三相電機需要3d,產生的誤工停時費6000元,間接因電機故障產生的誤工停時費每年約7萬元。
可見,改造后效益顯著。
安全效益:技術改造以前,由于各類設備上的三相電機,在電源缺相情況下,發生各類電機故障甚至發生三相電機燒毀,嚴重影響設備的安全運行。而技術改造后,設備正常運行得到了有效的保證,從根本上杜絕了因為電源缺相而引起的各類三相電機事故。技術改造產生了良好的安全效果。
3.2改進前后三相電機故障對比
三相電機控制線路改造前,各類設備因電源缺相,頻繁發生電機燒損的現象,在三相電機中各類故障中占約71.4%。通過認真執行三相電動機缺相保護改進工作,初步改造后電動機缺相故障降到了全年26件,三相電機缺相故障占比降至約54%。之后,經過了全面改造三相電動機的質量有了顯著提高,效果十分明顯,試行階段統計,全年三相電機缺相故障共發生3件(占比約12%),其中臨修2件,超范圍修1件(燒損1件,技術故障2件),故障件數大幅度下降,設備改進完畢并通過,全面性能鑒定后(約120臺),正式投入使用,全年未發生一次因缺相造成的三相電機損毀,三相電機缺相故障率降至0%,總計減少開支15萬元,改造前后,各種原因下的三相電動機故障次數分布如圖3所示。

圖3三相電機故障情況表
4 安科瑞ARD系列智能電動機保護器介紹與綜合選型
4.1產品簡介
ARD該系列低壓電動機保護器,具有過載、斷相、不平衡、欠載、接地/漏電、堵轉等保護功能。可與接觸器、電動機起動器等電器元件構成電動機控制保護單元,具有遠程自動控制、現場直接控制、面板指示、信號報警、現場總線通信等功能。應用范圍:可廣泛應用于煤礦、石化、冶煉、電力、建筑等行業的配電領域。
4.2產品選型
產品功能


5 結語
理論與實際相結合,在分析三相電機缺相保護原理基礎上,采取低成本思路,在原有三相電機控制線路基礎上稍作調整,使其控制線路具有缺相保護作用。通過這次技術改造,該段三相電機使用情況良好,未再發生因缺相造成的故障現象,改造后電機運行穩定可靠。既實現全電機的缺相保護,又節約經濟成本21萬余元,故這種三相電機缺相保護電路簡便、可靠、成本極低,具有市場推廣價值。
參考文獻:
[1]謝仕勇,羅云.一種工頻控制的電機保護電路、裝置及系統:CN208062777V[P].2018-11-06.
[2]于慶,王宏.三相異步電動機缺相運行的危害、原因與對策[J].山東工業技術,2017(2):174.
[3]高波,耿蕓仙.三相電動機缺相保護在工業維護中的應用[J].云南冶金,2020(49):119-121.
[4]安科瑞企業微電網設計與應用手冊2020.06版